当前时间:
 
 
 
地址:江苏泰州市姜堰经济开发区
联系人:许经理
手机:15861028198
电话:0523-82578918
传真:0523-82073188
网址:www.tzbrbwg.com
邮箱:tzbrbwg@163.com

 

 
产品展示
您当前所在的位置:首页 >> 产品展示

    补偿器,膨胀节系列 >> 万向铰链型波形膨胀节
 

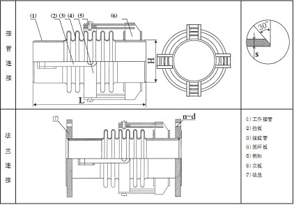
万向铰链型波纹补偿器有一个万向环,在万向环的周向有两对相互垂直的铰链结构,因此它能吸收任意平面的角位移。通常吸收位移时,应有两个或三个组合使用。
产品结构特点:
万向铰链型波纹补偿器有一个万向环,在万向环的周向有两对相互垂直的铰链结构,因此它能吸收任意平面的角位移。通常吸收位移时,应有两个或三个组合使用。
安装使用注意事项
1、膨胀节上的小拉杆只作为运输、安装和“冷紧”用,安装完毕后需将其拆除。
2、胀节角变形较大或系统工作压力较高时,推荐产品在安装时进行“冷紧”。冷紧的优点主要在于改善膨胀节及管线的工作稳定性。
产品结构简图

 

点击数:514  录入时间:2012-11-23 【打印此页】 【关闭

 

泰州博瑞波纹管有限公司 地址:江苏泰州市姜堰经济开发区 电话:0523-82578918 传真:0523-82073188
联系人:许经理、15861028198 邮箱:tzbrbwg@163.com 网址:www.tzbrbwg.com 友情链接:易普网络
广告词说明:本网站介绍上显示的广告法规定集线(错别字是为避免广告法排查工具误导)词,只在本网站范围内对比,且仅作为产品内容介绍使用,非广告宣传用语!
*本站相关网页素材及相关资源部分来源互联网,如有侵权请速告知,我们将在24小时内删除* 【免责声明】
备案号:苏ICP备13019346号